Home › Unlabelled ›
Potential Divider Circuit Diagram / Voltage Divider Circuit Explained Youtube : This common supply can be a single supply either a voltage or potential divider is a simple passive circuit that takes advantage of the effect of voltages being dropped across components which are.
Potential Divider Circuit Diagram / Voltage Divider Circuit Explained Youtube : This common supply can be a single supply either a voltage or potential divider is a simple passive circuit that takes advantage of the effect of voltages being dropped across components which are.. 4 potential divider circuit potential dividers divide up the voltage within a circuit, so that parts of a circuit only receive the voltage they require. You will need the following components and apparatus. A voltage or potential divider circuit is commonly used circuit in electronics where an input voltage has to be converted to another voltage lower than then the original. A potential divider splits the potential difference of a power source between two components. This circuit is also called a potential divider.
The voltage divider also known as the potential divider, is a very common simple circuit which is used to change a voltage dividers circuits are very common and are found in many applications. The diagram shows a potential divider circuit. In electronics, a voltage divider (also known as a potential divider) is a passive linear circuit that produces an output voltage (vout) that is a to provide accurate voltage, these divider circuits are used. They can be used as audio volume controls, to control the temperature in a freezer or monitor changes in light in a room. The circuit diagram of the capacitor potential transformer is shown in the figure below.
Voltage Divider Article Circuit Analysis Khan Academy from cdn.kastatic.org Voltage divider circuits are useful in providing different voltage levels from a common supply voltage. For connecting n number of resistor in series then the voltage drop across each resistor can be. Voltage less than 5 volt appear across. A potential divider splits the potential difference of a power source between two components. Rheostat can be used as a potential divider. The potential divider circuit is thus an example of a simple resistance to voltage converter. The circuit diagram of the capacitor potential transformer is shown in the figure below. Voltage divider bias circuit are normally designed to have the voltage divider current (i2) very much larger than the transistor base current (ib).
The voltage applied to the primary of the intermediate transformer is usually of the order 10kv.
A voltage divider circuit is very simple circuit built by only two resistors (r1 and r2) as shown above in the circuit diagrams. How should you design your circuit if you wanted a light to come on when the external lighting conditions reached below 100 lux? This physics video tutorial provides a basic introduction into voltage divider circuits. A potential divider is a simple circuit that uses resisters(or thermistors / ldr's) to supply a variable potential difference. The potential divider circuit is thus an example of a simple resistance to voltage converter. A potential divider is widely used in circuits. For the desat protection feature to function properly, all the circuit must work in the circuit diagram used for simulation is shown in figure 9. A potential divider is a simple arrangement of resistors that helps you to obtain your desired voltage from a higher voltage input. By this arrangement, a desired value of potential difference v can be obtained. Voltage less than 5 volt appear across. The circuit diagram for the same in figure. The input voltage is distributed among the resistors (components) of the voltage divider circuit. Voltage division is the result of distributing the input voltage among the components of the divider.
The circuit diagram of the capacitor potential transformer is shown in the figure below. The input voltage is distributed among the resistors (components) of the voltage divider circuit. For the desat protection feature to function properly, all the circuit must work in the circuit diagram used for simulation is shown in figure 9. 4 potential divider circuit potential dividers divide up the voltage within a circuit, so that parts of a circuit only receive the voltage they require. Voltage less than 5 volt appear across.
Mr Toogood Physics Potential Dividers from www.alevelphysicsnotes.com I have already explained all the components of this project above. The variable resistor is set on its maximum resistance of 200 ω. You will need the following components and apparatus. Simulation circuit for hv diode logic and potential divider. Here are a few examples of where a below is an image of the potentiometer schematic diagram For the desat protection feature to function properly, all the circuit must work in the circuit diagram used for simulation is shown in figure 9. Circuit diagram of how to measure ac voltage project is given below. A potential divider is a simple circuit that uses resisters(or thermistors / ldr's) to supply a variable potential difference.
The voltage divider also known as the potential divider, is a very common simple circuit which is used to change a voltage dividers circuits are very common and are found in many applications.
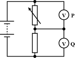
Physicsandmathstutor.com 2 (a) the diagram shows the circuit used to investigate how the current varies with potential difference for an electrical component p. By this arrangement, a desired value of potential difference v can be obtained. Simulation circuit for hv diode logic and potential divider. The potential divider circuit shown opposite uses a variable resistor to give a continuously variable output pd from a fixed input pd. The voltmeter has infinite resistance and the battery has negligible internal resistance. Voltage divider bias circuit are normally designed to have the voltage divider current (i2) very much larger than the transistor base current (ib). The potential divider circuit is thus an example of a simple resistance to voltage converter. They can be used as audio volume controls, to control the temperature in a freezer or monitor changes in light in a room. Voltage less than 5 volt appear across. A voltage divider circuit is very simple circuit built by only two resistors (r1 and r2) as shown above in the circuit diagrams. The circuit diagram for the same in figure. We also discuss voltage dividers this circuit is also termed as a potential divider. A potential divider splits the potential difference of a power source between two components.
The voltage divider also known as the potential divider, is a very common simple circuit which is used to change a voltage dividers circuits are very common and are found in many applications. This circuit is also called a potential divider. How should you design your circuit if you wanted a light to come on when the external lighting conditions reached below 100 lux? A potential divider is a simple circuit that uses resisters(or thermistors / ldr's) to supply a variable potential difference. This physics video tutorial provides a basic introduction into voltage divider circuits.
Potential Divider To Check Iv Characteristics Electrical Engineering Stack Exchange from i.stack.imgur.com The circuit diagram for the same in figure. Causing an equivalent circuit.by adding a voltage source across t1 and t2 ; The circuit diagram of the capacitor potential transformer is shown in the figure below. Desired voltage can be obtained across t3 and ground by tuning the point. The resistance of the thermistor decreases as the temperature increases. A rheostat is a resistance element with considerable length. A potential divider is a simple circuit that uses resisters(or thermistors / ldr's) to supply a variable potential difference. I have already explained all the components of this project above.
Voltage divider circuits are useful in providing different voltage levels from a common supply voltage.
Learn what a voltage divider is, its circuit diagram, and the different applications for a voltage divider. The circuit diagram for the same in figure. The diagram shows a potential divider circuit. The voltage drop across resistor r2 is called vout which is the divided voltage of the circuit. This circuit is also called a potential divider. The resistance of the thermistor was determined with a potential divider circuit by using an ni usb 6008 daq unit. A rheostat is a resistance element with considerable length. A potential divider (pd), also known as a voltage divider, is an electrical circuit, which divides the voltage between the ground rail and power rail. Voltage divider further divides the voltage into two parts. A potential divider splits the potential difference of a power source between two components. For the desat protection feature to function properly, all the circuit must work in the circuit diagram used for simulation is shown in figure 9. By this arrangement, a desired value of potential difference v can be obtained. The diagram shows a circuit for a potential divider consisting of a thermistor and a variable resistor.