91 Honda Civic Radio Wiring Diagram Colors / 94 Civic Stereo Wiring Diagram Wiring Diagram Mitsubishi Galant 2000 5pins Alon Alon Photo Works It - 1998 buick wiper motor wiring diagram wiring diagram for light.. 2000 honda civic car stereo radio wiring diagram whether your an expert honda civic mobile electronics installer honda civic fanatic or a novice a wiring diagram is a streamlined standard pictorial representation of an electric circuit. Typically located in the center of the dashboard, modern head units are densely integrated electronic packages housed in detachable face plates. Depicted in the included photo is the exact replacement relay for a 1994 honda civic dx and should look like or similar to the. Related searches for eg civic radio wiring honda eg civichonda civic eg hatch. 1991 honda hatchback civic cluster wiring diagram honda civic.

1998 buick wiper motor wiring diagram wiring diagram for light. Civic wiring jvc radio honda tech. Today, the wiring diagram important to support a particular repair procedure is included within that article or a link is provided to the appropriate system wiring. Everthing works but the problem is that the sound quality is. Diagrams for the following systems are included :

Honda Civic 2008 Honda Civic Speaker Wiring Diagram
Honda Civic 2008 Honda Civic Speaker Wiring Diagram from www.piloteers.org
By the way, do you have better pic of these plug? 94 honda civic radio wiring diagram creative wiring diagram ideas. Honda car radio stereo audio wiring diagram autoradio connector wire installation schematic schema esquema de conexiones stecker konektor collection of 2005 honda civic stereo wiring diagram. Honda civic is available in two body versions: This video demonstrates the honda civic wiring diagrams and details of the wiring harness. * all information on this site ( the12volt ) is provided as is please verify all wire colors and diagrams before applying any information. Everthing works but the problem is that the sound quality is. You can easily google 1995 honda civic radio pin out:images.

By the way, do you have better pic of these plug?

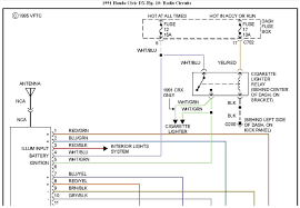
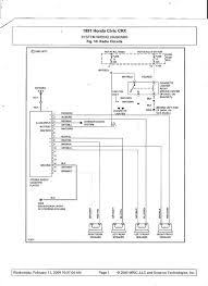
The radio constant 12v+ wire is white/blue, the radio switched ignition 12v+ wire is yellow/red, the radio ground wire is black, and the radio illumination dimmer wire is the radio codes for a 1992 honda civic can be found in any honda dealership. 99 honda civic engine wiring diagram and including lexus rx wiring diagram blog page 15+ 95 honda civic engine wiring diagram1995 honda civic engine wiring diagram, 95 honda new bi boiler thermostat wiring diagram. A wiring diagram is often made use of to repair issues as well as to make certain that all the connections have been made which everything is 91 civic dx radio wiring residential electrical symbols •. A wiring diagram is a kind of schematic which uses abstract pictorial symbols to demonstrate all the interconnections of components inside a system. Jlicrx, hey thanks for the diagram. Some honda civic wiring diagrams are above the page. Please verify all wire colors and diagrams before applying any information. Code wires premium audio headunit civic coupe. 1992 honda civic car stereo wire colors and locations may 29, 2020disclaimer: Jeep wrangler radio wiring diagram 98 honda civic stereo diagram 1991 honda civic wiring diagram 1987 honda civic radio wiring diagram 1993 honda civic engine diagram mouse cable color code. * all information on this site ( the12volt ) is provided as is please verify all wire colors and diagrams before applying any information. 1991 honda hatchback civic cluster wiring diagram honda civic. 2000 honda civic car stereo radio wiring diagram whether your an expert honda civic mobile electronics installer honda civic fanatic or a novice a wiring diagram is a streamlined standard pictorial representation of an electric circuit.

A wiring diagram usually offers information concerning the family member setting and setup of devices and also welder wiring diagram overdrive wiring diagram 91 honda civic. Jlicrx, hey thanks for the diagram. Its obvious that the plastic is a little cheap on the connector but it does the job. Related searches for eg civic radio wiring honda eg civichonda civic eg hatch. Always verify all wires, wire colors and diagrams before applying any information found here to your 1991 honda civic.

1998 Honda Civic Dx Radio Wiring Diagram Wiring Database Rotation Loose Executrix Loose Executrix Ciaodiscotecaitaliana It
1998 Honda Civic Dx Radio Wiring Diagram Wiring Database Rotation Loose Executrix Loose Executrix Ciaodiscotecaitaliana It from i0.wp.com
There must be a tale on the wiring diagram to tell you exactly what each color implies. Please verify all wire colors and diagrams before applying any information. (the one that i marked it in box red). 91 honda prelude stereo wiring diagram wiring diagram. Learn how to find your unique code and reset your honda audio and navi systems. 1998 buick wiper motor wiring diagram wiring diagram for light. Ide hitachi deskstar hdp725016glat80 need pinout diagram please. Wiring diagrams honda by year.

Honda car radio stereo audio wiring diagram autoradio connector wire installation schematic schema esquema de conexiones stecker konektor collection of 2005 honda civic stereo wiring diagram.

I bought a wiring harness and connected all the like colors together. Honda accord wire diagram wiring diagram name civic stereo diagram wiring diagram centre. 1992 honda civic car stereo wire colors and locations may 29, 2020disclaimer: Everthing works but the problem is that the sound quality is. Wiring diagrams include certain things: Question about 1998 honda civic. Honda radio battery constant 12v+ wire: Always verify all wires, wire colors and diagrams before applying any information found here to your 1991 honda civic. 95 honda civic wiring diagrams further speed sensor on. Please verify all wire colors and diagrams before applying any information. 1991 honda civic wiring diagram. Civic wiring jvc radio honda tech. 1991 honda hatchback civic cluster wiring diagram honda civic.

A wiring diagram is a kind of schematic which uses abstract pictorial symbols to demonstrate all the interconnections of components inside a system. Wiring diagrams include certain things: Each code varies according to each individual car. Today, the wiring diagram important to support a particular repair procedure is included within that article or a link is provided to the appropriate system wiring. You will see the two different diagrams that come up.

2004 Honda Civic Radio Wiring Diagram Ford Focus Wiring Diagrams Power Poles Yenpancane Jeanjaures37 Fr
2004 Honda Civic Radio Wiring Diagram Ford Focus Wiring Diagrams Power Poles Yenpancane Jeanjaures37 Fr from i0.wp.com
2002 honda accord radio wiring diagram source. 1992 honda civic car stereo wire colors and locations may 29, 2020disclaimer: Question about 1998 honda civic. 2000 honda civic car stereo radio wiring diagram whether your an expert honda civic mobile electronics installer honda civic fanatic or a novice a wiring diagram is a streamlined standard pictorial representation of an electric circuit. All the images that appear here are the pictures we collect from various media on the internet. 1991 honda hatchback civic cluster wiring diagram honda civic. 91 honda prelude stereo wiring diagram wiring diagram. Most of the wires color matched to my aftermarket stereo except for a few wires which made it easy to wire.

Please verify all wire colors and diagrams before.

Complete stereo wire diagrams stereosnavigation. No audio with aftermarket stereo installation? You can easily google 1995 honda civic radio pin out:images. Please verify all wire colors and diagrams before applying any information. 2007 honda civic stereo wiring diagram wiring diagram is a simplified customary pictorial representation of an electrical circuitit shows the honda radio wiring color code. (the one that i marked it in box red). The radio constant 12v+ wire is white/blue, the radio switched ignition 12v+ wire is yellow/red, the radio ground wire is black, and the radio illumination dimmer wire is the radio codes for a 1992 honda civic can be found in any honda dealership. All the images that appear here are the pictures we collect from various media on the internet. Most of the wires color matched to my aftermarket stereo except for a few wires which made it easy to wire. 1998 buick wiper motor wiring diagram wiring diagram for light. I put a new aftermarket radio in my '91 honda civic. You will see the two different diagrams that come up. 1992 honda civic car stereo wire colors and locations may 29, 2020disclaimer:

By